Carcano logo

CARCANO A541 Girello in acciaio inox

CARCANO  |  SKU: CAR-A541

Girello in acciaio inox

Maggiori informazioni?

Richiedi informazioni, un preventivo o contattaci per il prezzo e lo stock di questo articolo.

Varianti e specifiche

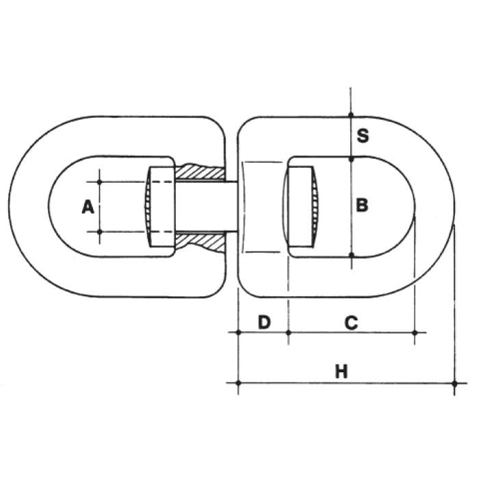
CodiceMisura mmA mmB mmC mmD mmH mmS mmS.W.L. KgPeso Kg
A541555131963051000,03
A541666152073362250,06
A5418882028114784500,09
A54110101024351358106250,24
A54113131432461877138750,53
A541161616395622941612501,14
A5412020204163331151925001,83
A5412222224770341272232503
A5412525256388351482540004

Supporto e Assistenza

Hai bisogno di materiale o di una consulenza? Visita la pagina di supporto per tutti i nostri contatti.